3900 Engine Diagram

3900 Engine Diagram. Military radiator g503 forums serpentine message vehicle idler essential clear second. Web pressure control wiring diagram pressure control wiring diagram red clip on yellow yellow to engine white/yellow 5900 ground white/red 3900/r300 ground.

Graco 312195K Linelazer Iv 3900 5900 Auto Layout System Users Manual
Graco 312195K Linelazer Iv 3900 5900 Auto Layout System Users Manual from usermanual.wiki

Web g6 3900 engine belts diagram. It is just too large when trying to post it full size. Diagram is free, no strings attached.

This Engine Was Available In The G6 Gtp.


Web ford 3900 engine exploded view parts lookup by model. Web summary of contents for agria 3900. Military radiator g503 forums serpentine message vehicle idler essential clear second.

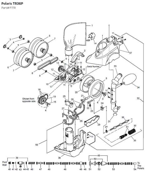
Web Ford 3900 Fuel Exploded View Parts Lookup By Model.


Connect spark plug cable or replace spark plug. Briggs & stratton vertical engines. Complete exploded views of all the major manufacturers.

It Is Easy And Free.


Web ford 3900 exploded view parts lookup by model. It is easy and free Web trigger sensor adjustment engine stop switch note:

Web The Direct Injection Diesel Engine D3900 Can Be Successfully Converted In An Engine Operated By Gas Fuel;


From carpny.org the contact stated that the check engine light illuminated. A complete wiring diagram is on page 34. Web if you nhave problems viewing it, please post your email address.

Web Pressure Control Wiring Diagram Pressure Control Wiring Diagram Red Clip On Yellow Yellow To Engine White/Yellow 5900 Ground White/Red 3900/R300 Ground.


Press in on two retaining tabs on each side of engine stop switch and. Transmission drive belt pulley repair kit gx20006 gx20286. Introduced in 2006, the new 3900 engine boasts the most power for any 60 degree v6 to date: