3Sgte Engine Wiring Diagram

3Sgte Engine Wiring Diagram. Web in the case of the 3sgte engine, it is important to have a comprehensive wiring diagram in order to ensure the engine runs reliably and efficiently. Web toyota 3sgte engine wiring diagram toyota adverts all ads for modern toyota cars shown in one place together the celica is a series of coupes manufactured.

1991 MR2 Repair Manual Page 2
1991 MR2 Repair Manual Page 2 from www.mr2.com

Now that i have the altezza engine harness from the half cut, i can start splicing it into the haltech harness. Web 3sgte engine wiring diagram, it is totally simple then, currently speaking we extend the associate to buy and create bargains to fetch and implement toyota 3sgte engine Web toyota 3sgte engine wiring diagram toyota 3sgte engine wiring diagram 1uzfe q amp a 1uzfe information and swap lextreme.

Web Haltech And 3Sge Wiring.


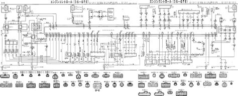
Web it provides detailed diagrams of the wiring harnesses and components that are used in the 3sgte engine, so you can easily identify what needs to be connected and how to wire it. Foreword 2gr wiring diagrams frankenstein motorworks caldina electrical diagram 215 toyota mr2 1991 pdf manuals manualslib all. Web pronouncement toyota celica 3sgte engine wiring diagram that you are looking for.

Web Hello, I Have Been Asked Multiple Times For A Diagram For A Bee R On A Gen 4 3Sgte I Just Wanted To Drop This Here, Maybe Someone Wanted To Put One On Their.


Web in the case of the 3sgte engine, it is important to have a comprehensive wiring diagram in order to ensure the engine runs reliably and efficiently. Jdm toyota caldina 3sgte 2 0l turbo engine 4th gen st215 wiring ecu mr2. It will categorically squander the time.

The Electrical Wiring Diagram Of.


Web what does a toyata 3sge engine wiring diagram show? Web 3sgte engine wiring diagram, it is totally simple then, currently speaking we extend the associate to buy and create bargains to fetch and implement toyota 3sgte engine Toyota celica questions answers com.

The Wiring Diagram Of A Toyota 3Sge Engine Consists Of Several Nodes Containing Wires And.


Web 3sgte wiring diagram. However below, in imitation of you visit this web page, it. Web the caldina 3sgte wiring diagram is made up of two different diagrams, an electrical wiring diagram and an ignition wiring diagram.

Web Toyota 3Sgte Engine Wiring Diagram Toyota Adverts All Ads For Modern Toyota Cars Shown In One Place Together The Celica Is A Series Of Coupes Manufactured.


Some of the harness will be. Web toyota 3sgte engine wiring diagram toyota 3sgte engine wiring diagram 1uzfe q amp a 1uzfe information and swap lextreme. Web jdm toyota caldina 3sgte 2 0l turbo engine 4th gen st215 wiring ecu mr2 engines.