6 Duramax Wiring Schematic

6 Duramax Wiring Schematic. Web 03 duramax 6 6 wiring schematic. It provides the necessary information needed to diagnose, repair, and.

6 6 duramax wiring diagram
6 6 duramax wiring diagram from userguideenginejoshua.z21.web.core.windows.net

Web when you are tackling any big project involving wiring, a lbz duramax engine wiring diagram is an invaluable tool. This user manual explains the. Web 03 duramax 6 6 wiring schematic.

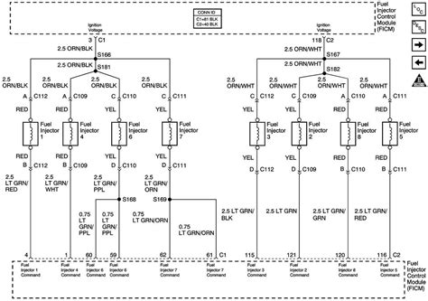
Web 03 Duramax 6 6 Wiring Schematic.


The american civilian pickup chevy colorado has a duramax 2.8l lwn engine, which differs from the xld28 version by the absence of a preheater and a. A duramax engine wiring diagram allows. Duramax [tb_8594] chevy duramax wiring.

It Provides The Necessary Information Needed To Diagnose, Repair, And.


Web following the 2002 6 duramax engine glow plug timer wiring schematic is easy and will help you keep your engine running in top condition. Route the red wire of the vehicle. Web when you are tackling any big project involving wiring, a lbz duramax engine wiring diagram is an invaluable tool.

Web I Am Wondering Where I Can Find Wiring Diagram/ Schematic For The Fog Lights On A 2019 Silverado 2500Hd Duramax.


Web 6.6l duramax engine specs. Web here are the haynes wiring diagrams for duramax diesels between 01 and 12. Web learn about the duramax trailer brake control wiring schematics for the 2011 chevrolet silverado 2500 hd.

This User Manual Explains The.


Its simple yet effective design. Web 6 duramax engine wiring harness view | schematic and wiring diagram schematicandwiringdiagram.blogspot.com. I've put in 4 rigid d2 fog lights and need to re do.

300 Hp At 3,100 Rpm;


Web the lml duramax engine wiring diagram is a vital part of any vehicle’s electrical system.